5 Ton Offshore Knuckle Boom Crane for Sale
Worldoils Oil, Gas and Offshore Marketplace
Equipment ID: 1492
Equipment name: 5 Ton Offshore Knuckle Boom Crane for Sale
Category: Cranes / Lifting equipment
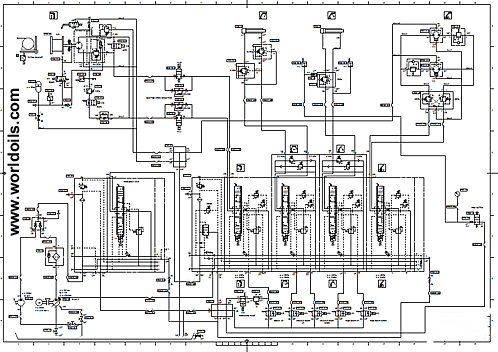
Specifications: 5 Ton Knuckle Boom Offshore Crane for Sale
New Offshore Crane for Sale


Significant wave height (m) / SWL (kg)

0.5 / 3700
1.0 / 3000
2.0 / 1800
3.0 / 1000
4.0 / 700

Conditions / SWL (kg)
Harbour / 2000
Offshore, Hsig = 0.5 / 1600
Offshore, Hsig = 1.5 / 1300
Offshore, Hsig = 2.5 / 900

Price & terms : Please enquire using the email form below.

If you cannot find the vessel, crane, rig or equipment that you need,
please send us an email to mail@worldoils.com stating your
requirements and we shall find it for you.

We can arrange delivery of equipment and towage of rigs and vessels where needed.
The details mentioned above are believed to be accurate but are not guaranteed.


-----------------------------------------------------------------------------------------
Search words(for official use only)-
5 Ton Knuckle Boom Offshore Crane for Sale
New Offshore Crane for Sale
5 Ton Offshore Knuckle Boom Crane for Sale
Offshore Knuckle Boom Crane for Sale
New Knuckle Boom Offshore Crane

-----------------------------------------------------------------------------------------

Worldoils Oil, Gas and Offshore Marketplace
Worldoils Oil, Gas and Offshore Marketplace - 5 Ton Offshore Knuckle Boom Crane for Sale
Images
5 Ton Knuckle Boom Crane for Sale
Offshore Crane for Sale
Offshore Knuckle Boom Crane for Sale
5 Ton Offshore Knuckle Boom Crane for Sale
Knuckle Boom Offshore Crane for Sale
Send an email to Worldoils
Note: Fields marked by (*) are mandatory.
Email to: 
For equipment: 
Category: 
Your name:  *
Your company:  *
Your email address:  *
Your phone no.:  *
Your message:  *

 

The information contained herein is believed to be accurate but has not been verified. This equipment is subject to prior sale and sold “where-is as-is” with no warranties from Worldoils Pte Ltd or the Seller expressed or implied.
Worldoils Oil, Gas and Offshore Marketplace Worldoils Oil, Gas and Offshore Marketplace