Supply Vessel - For Sale
Worldoils Oil, Gas and Offshore Marketplace
Equipment ID: 497
Equipment name: Supply Vessel - For Sale
Category: Ships/Vessels
Sub Category: Supply/Utility Vessel
Specifications:

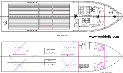
Supply Vessel For Sale
22M Supply Vessel For Sale


Specifications and list of Standard Equipment

Classification :
Type of class : Bureau Veritas (NonCon)
Type of vessel : Crew/Supply vessel
Type of hull : Aluminium alloy
Passenger : 12 pax

Dimensions :
Lenght overall : 22.24m
Length waterline : 20.47m
Beam (maximum) : 5.66m
Draught (full load) : 1.10m
Depth at sides : 2.75m
Weight (full load) : 70 tonnes

Tank Capacities :
Fuel oil : 10,000 litres
Fresh water : 28,000 litres

Performance :
Maximum speed : 20 - 22 knots
Crusing : 20 knots

Propulsion System :
Main engine :
2 x Cummins KTA 19 - M3
600bhp @ 1800 rpm
Continuous duty rating
Propulsion : Twin conventional screw

Auxiliary Equipment :
Generator :
2 x Perkins (or equivalent) marine diesel generator
Rating : 17.5KVA, 230V, 50Hz, single phase
Bilge/GS : 4 x TMC submersible bilge pump

Deck Equipment :
Anchors : 1 x 60kg
Chain : 1 x 1.5m studlink chain
Blower : 2 x in-line blower

Joinery and Arrangement of Service Spaces :
- Accommodation room for 4-6 persons
- Daikin split air conditioning (2 x18,000 BTU) or equivalent
- Toilet
- Pantry

Hull and Superstructure :
- Welded aluminium alloy hull
- Structure frame (2 watertight)
- Wheelhouse
- Welded aluminium tampered/toughened glass windows with frame
- Kapur timber deck
- Aluminium fuel tank
- Aluminium bow rail
- Aluminium side rail

- Aluminium aft rail
- Main deck engine hatch
- Aluminium mooring bitt
- Aluminium side border
- Fully welded strong aluminium engine bed
- 12 passenger seat + 2 crew seats
- Helmsman chair & commander chair c/w base
- Aft lockable door

- Stbd side lockable door
- Rudder's room hatch
- Tank's room hatch
- Fender eye plates
- Anodes base
- 4 clear view
- 1 x hydraulic steering systems(forward of wheel house) & 1 x
hydraulic steering systems (aft of wheel house)
- Wet exhaust system

Nautical, Navigation and Communication Equipment :
- Navigation lights and switches
- Masthead lights, search light
VHF radio : Icon M302
Compass : Magnetic compass
GPS : Furuno GP 32
Radar : Ray marine SL 70

Paints and Coatings :
Painting to colour with marine polyurethane paint

Fire Fighting Equipment and Life Saving Apparatus :
Fire Fighting Equipment :
8 x 9kg ABC dry powder, 1 x 45 litres form trolley,
1 x engine driven pump, 1 x electrical driven pump
and 2 x 2" x 15m c/w nozzle fire hose

Life Saving Equipment :
Life jacket and 20-pax life raft

Construction Material :
Welded Aluminium Hull
- Bottom of hull : 8.0mm
- Side of Hull : 8.0mm
- Main decks : 6.0mm
- Superstructure : 6.0mm
- Engine bed : 10mm - 12mm

Price & terms : Please enquire using the email form below.

If you cannot find the vessel, crane, rig or equipment that you need,
please send us an email to mail@worldoils.com stating your
requirements and we shall find it for you.

We can arrange delivery of equipment and towage of rigs and vessels where needed.

The details mentioned above are believed to be accurate but are not guaranteed.

--------------------------------------------------------------------------------------------------------
Search words(for official use only) - 

Supply Vessel For Sale
Offshore Supply Boat For Sale
Supply/Crew Vessel For Sale
Used Supply Vessel
Used Supply Vessel For Sale

-----------------------------------------------------------------------------------------------


Worldoils Oil, Gas and Offshore Marketplace
Worldoils Oil, Gas and Offshore Marketplace - Supply Vessel - For Sale
Images
Supply Vessel For Sale
Supply Vessel For Sale
Supply Vessel For Sale
Supply Vessel For Sale
Supply Vessel For Sale
Send an email to Worldoils
Note: Fields marked by (*) are mandatory.
Email to: 
For equipment: 
Category: 
Your name:  *
Your company:  *
Your email address:  *
Your phone no.:  *
Your message:  *

 

The information contained herein is believed to be accurate but has not been verified. This equipment is subject to prior sale and sold “where-is as-is” with no warranties from Worldoils Pte Ltd or the Seller expressed or implied.
Worldoils Oil, Gas and Offshore Marketplace Worldoils Oil, Gas and Offshore Marketplace